所属成套资源:【精品原创】鲁教版(五四制)初中物理八年级上册同步练习(含答案解析)
初中物理鲁教版 (五四制)八年级上册第三节 测量物质的密度习题
展开
这是一份初中物理鲁教版 (五四制)八年级上册第三节 测量物质的密度习题,共22页。试卷主要包含了0分),8g,下列说法正确的是,4g,6N,【答案】A,【答案】C等内容,欢迎下载使用。
5.3测量物质的密度同步练习鲁教版(五四制) 初中物理八年级上册
一、单选题(本大题共10小题,共20.0分)
1. 量筒做得细而高,不做成粗而矮的形状,如图所示,主要原因是( )
A. 粗矮量筒中的液体较多,筒壁所受压力较大,需用较厚的玻璃,因而不便读数
B. 细高的量筒与粗矮的相比,相应的刻度间隔较大,能较准确地读数
C. 细高的量筒可以做出相对较大的底座,增加稳度
D. 细高的量筒便于操作
2. 小鉴同学用排水法测一不溶于水不规则小物体的体积时,他先在量筒放一定量的水,读数是30毫升,然后放入小物体浸没,读数是46毫升,可实际在读数时,第一次读数俯视了,第二次读数仰视了,则小鉴同学测得的小物体体积将( )
A. 大于16cm3 B. 等于16cm3 C. 小于16cm3 D. 都有可能
3. 某同学欲从盛有液体的量筒中倒出部分液体,量筒放平后,仰视液面读数为82毫升,倒出部分液体后,俯视液面读数为52毫升,则该学生实际倒出液体的体积为( )
A. 大于30毫升 B. 等于30毫升 C. 小于30毫升 D. 无法确定
4. 只测一次,要求较准确的测出90cm3的酒精,请你在下列四种规格的量筒中,选出适当的量筒( )
A. 量程是100mL,分度值是1mL B. 量程是200mL,分度值是2mL
C. 量程是50mL,分度值是1mL D. 量程是50mL,分度值是2mL
5. 如图所示,在“测量小石块的密度“的实验中,正确的做法或测量数据是( )
A. 调节天平平衡的过程中,发现指针如图甲所示,则应将游码向右调节
B. 利用天平测得小石块的质量为 48.8g
C. 用量筒测得小石块的体积为 40mL
D. 实验过程不能先测石块的体积,后测石块的质量,否则测出石块的密度会偏大
6. 用天平和量筒测量形状不规则的小石块的密度,下列不需要的步骤是
A. 用天平测量小石块的质量m1
B. 用天平测量量筒的质量m2
C. 在量筒内倒入适量的水,记下量筒中水的体积V1
D. 用细线系住小石块,浸没在量筒的水中,记下量筒中石块和水的总体积V2
7. 小明想测石块的密度,进行下面的操作:
(1)用调节好的天平测出石块的质量m0;
(2)在烧杯中装适量水,并在水面的位置做好标记,用天平测出烧杯和水的总质量为m1;
(3)将石块放入装水的烧杯中,倒出超过标记处的水,并用胶头滴管使水面恰好在标记处,测出此时烧杯、水、石块全部的质量为m2;
(4)计算石块的密度ρ。
若在操作(3)中倒出部分水后,水面还高于标记处,这样的情况下测出的密度值将( )
A. 偏大 B. 无偏差 C. 偏小 D. 无法确定
8. 在实验技能测试时,实验桌上有两个烧杯分别装有盐水和纯水。其标签已模糊不清,现有天平、量筒、烧杯、刻度尺、小木块,不能把他们区分开的器材组合是( )
A. 量筒、烧杯、刻度尺 B. 烧杯 小木块 刻度尺
C. 天平、烧杯、刻度尺 D. 天平、量筒、烧杯
9. 在用量筒和细线测量一块小石块的体积时,先往量筒里注入一定量的水,然后俯视量筒读数为V1,再放入小石块,然后蹲下身去仰视读数为V2,则小刚测量的小石块的实际体积为( )
A. 等于V2-V1 B. 小于V2-V1 C. 大于V2-V1 D. 无法判断
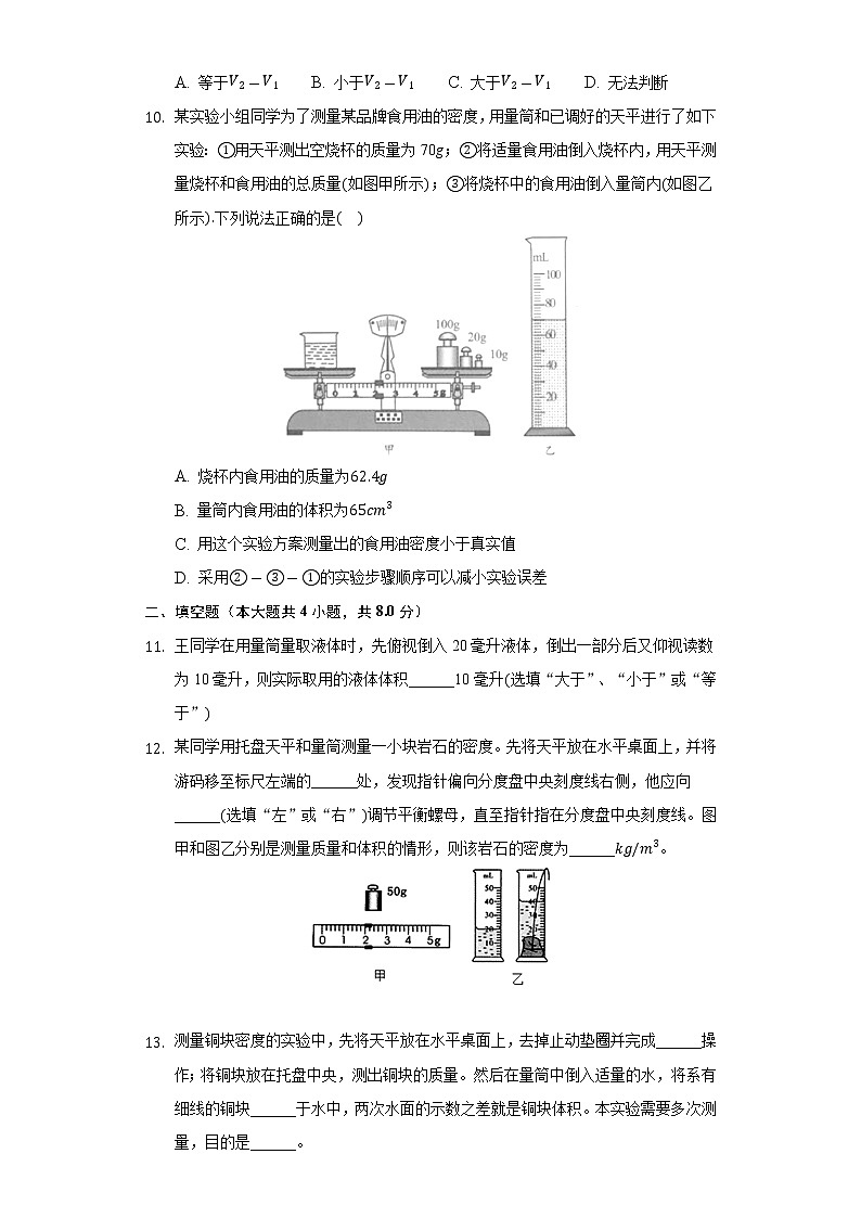
10. 某实验小组同学为了测量某品牌食用油的密度,用量筒和已调好的天平进行了如下实验:①用天平测出空烧杯的质量为70g;②将适量食用油倒入烧杯内,用天平测量烧杯和食用油的总质量(如图甲所示);③将烧杯中的食用油倒入量筒内(如图乙所示).下列说法正确的是( )
A. 烧杯内食用油的质量为62.4g
B. 量筒内食用油的体积为65cm3
C. 用这个实验方案测量出的食用油密度小于真实值
D. 采用②-③-①的实验步骤顺序可以减小实验误差
二、填空题(本大题共4小题,共8.0分)
11. 王同学在用量筒量取液体时,先俯视倒入20毫升液体,倒出一部分后又仰视读数为10毫升,则实际取用的液体体积______10毫升(选填“大于”、“小于”或“等于”)
12. 某同学用托盘天平和量筒测量一小块岩石的密度。先将天平放在水平桌面上,并将游码移至标尺左端的______处,发现指针偏向分度盘中央刻度线右侧,他应向______(选填“左”或“右”)调节平衡螺母,直至指针指在分度盘中央刻度线。图甲和图乙分别是测量质量和体积的情形,则该岩石的密度为______kg/m3。
13. 测量铜块密度的实验中,先将天平放在水平桌面上,去掉止动垫圈并完成______操作;将铜块放在托盘中央,测出铜块的质量。然后在量筒中倒入适量的水,将系有细线的铜块______于水中,两次水面的示数之差就是铜块体积。本实验需要多次测量,目的是______。
14. 老师讲了“密度”这节知识后,小明和小楠对他们都喜欢吃的柑橘的密度感兴趣了,他们拿出一个柑橘,决定想办法测出它的密度。
(1)将托盘天平放在______桌面上,将标尺上的游码移到零刻度处,发现指针偏向分度盘的右侧,如图甲所示,此时应将平衡螺母向______ (选填“左”或“右”)端调节,直到指针指向分度盘的中央。
(2)小楠用天平测量柑橘的质量,右盘中的砝码和标尺上的游码位置如图乙所示,则柑橘的质量是______g,若小楠再将柑橘浸没在水中测得它的体积为230cm3,则柑橘的密度为______kg/m3。
(3)如果小楠做实验时,是先将柑橘浸没在水中测出柑橘的体积,再用天平测出柑橘的质量,则这样测得的柑橘密度比真实值______ (选填“偏大”或“偏小”),其原因是______。
(4)实验完成后,小明问小楠是如何测出柑橘体积的,于是小楠将柑橘擦干净,又取出小烧杯、量筒、溢水杯和牙签等。小楠先将溢水杯装满水,接着小楠的做法是:______。
(5)小明在思考,小楠的做法也存在不妥之处,你认为不妥之处是:______。
三、实验探究题(本大题共2小题,共12.0分)
15. 在“测定物质密度”的实验中,小李填写的实验报告(部分)如下,请完成空格处的内容。
实验目的:测定盐水的密度
实验器材:电子天平、______、烧杯和盐水
实验原理:______。
实验步骤:
①用已调节好的天平测出烧杯和盐水的总质量m1;
②将烧杯中的盐水部分倒入量筒中,测出倒入盐水的体积V;
③用天平测出______的质量m2;
④计算出盐水的密度.
16. 陕西的西凤酒历史悠久,是中国“风香型”白酒的典型代表小彬为了测定西凤酒的密度,进行了以下的实验:
(1)把托盘天平放在水平桌面上,将游码移到标尺零刻度处后,发现指针静止时所指的位置如图1所示,他应将平衡螺母向______调,才能使天平平衡。
(2)天平调平衡后,在烧杯内倒入一部分酒,并将它放到天平的左盘,在右盘中添加砝码,并移动游码,待天
平重新平衡后,右盘上的砝码与标尺上的游码所对的刻度如图2所示,则烧杯与酒的总质量为______。
(3)用针筒从烧杯中抽出部分酒,如图3所示,针筒内酒的体积为______cm3,然后再用天平测得烧杯与剩余酒的总质量为15.8g,由此,他求出西凤酒的密度为______kg/m3。
四、计算题(本大题共2小题,共16.0分)
17. 某同学收藏有一块精美的“太白醉酒”贺兰石工艺品,如图所示。为测量这块贺兰石的密度,他进行如下实验:(g取10N/kg)
(1)将贺兰石挂在弹簧测力计下,如图甲所示,测得它的质量为______g;
(2)接着利用图乙所示的方法将贺兰石没人水中,收集它排出的水,倒入量筒中,如图丙。这块贺兰石的体积为______ml,由此测出贺兰石的密度为______kg/m3。
(3)上述测量体积的方法,产生误差的主要原因是什么?
(4)请你说出一种更好的测这块贺兰石体积的具体方法
18. 小致要测量木块的密度。实验器材有:木块、弹簧测力计(0~5N)、底部固定有滑轮的水槽、细线及足量的水。(g取10N/kg)
(1)先用弹簧测力计测木块的重力,如图甲:再用细线绕过滑轮将木块与测力计连接起来,接着往水槽倒入适量的水,使木块浸没在水中,如图乙,木块在水中静止时测力计示数为1.6N.木块的密度为______kg/m3。
(2)小致分析发现,如果把水换成其他液体,测力计示数就会不同,于是他把测力计的刻度改成相应的密度值,将该装置改装为测量液体密度的“密度计”。测力计的0.8N刻度处应为______kg/m3。
(3)若要增大这种“密度计”的最大测量值,可以采取的方法有______(写出一种即可)。
五、综合题(本大题共2小题,共20.0分)
19. 某同学利用粗细均匀且透明的水槽、细线、刻度尺、一个边长为10cm的不吸水的正方体物块和足量的水等器材测量金属块的密度。不计细线的质量和体积,已知:ρ水=1.0×103kg/m3。
这位同学的测量方法如下:
(1)如图甲所示,首先将正方体物块放入水中,物块漂浮。物体受到的浮力______物块的重力,物块的密度______水的密度(选填“大于”、“等于”或“小于”)。用刻度尺测出此时物块露出水面的高度为6cm。
(2)如图乙所示,将金属块放在正方体物块上,静止时,用刻度尺测出此时物块露出水面的高度为2cm。由此可知,与甲图相比,在乙图中物块受到的浮力______,水对容器底部的压强______。(选填“变大”、“不变“或“变小”)
(3)如图丙所示,用细线将金属块系在物块下方,静止时,用刻度尺测出此时物块露出水面的高度为3cm。在丙图中物块和金属块受到的浮力之和______乙图中物块受到的浮力,金属块的体积______乙、丙两图中正方体物块没在水中的体积之差。(选填“大于”、“等于”或“小于”)
(4)则金属块的密度ρ=______kg/m3。
20. 小明根据杠杆平衡条件在家测量某液体的密度,其装置放在水平面上。如图所示,轻质杠杆OA和BC垂直固定在一起,BC压在电子秤上,O为支点,且测量过程中O点和C点位置保持不变。
(1)调节杠杆OA在水平位置平衡,其目的是______。
(2)将一个质量不计的矿泉水瓶装满水,用细线将矿泉水悬挂在OA的D点上,记录此时电子秤的示数为m,测量悬挂点D到O的距离为L1。
(3)取下装水的矿泉水瓶,将另一个完全相同的矿泉水瓶装满待测液体,用细线将矿泉水瓶悬挂在D点。此时电子秤的示数小于m,则待测液体的密度______水的密度(选填“大于”,“等于“或“小于”),向______(选填“左”或“右”)移动悬挂点的位置,直到电子秤的示数仍为m,测量此时悬挂点到O的距离为L2。
(4)待利液体密度的表达式为ρ液=______(水的密度用ρ水表示)。
(5)若考虑矿泉水瓶的质量,测量结果为ρ液',则ρ液'______ρ液(选填“>”、“
相关试卷
这是一份人教版八年级上册第2节 密度精品练习题,共17页。试卷主要包含了0分),【答案】B,【答案】D,【答案】C等内容,欢迎下载使用。
这是一份初中物理北京课改版八年级全册五、透镜优秀课堂检测,共16页。试卷主要包含了0分),【答案】D,【答案】C等内容,欢迎下载使用。
这是一份鲁教版 (五四制)八年级上册第二节 运动的快慢课时练习,共17页。试卷主要包含了0分),10mm,5s,则他的实际成绩是多少?,7m/s,故D正确,【答案】D等内容,欢迎下载使用。

