2021年中考物理复习课件第13课时《功和功率 机械效率》
展开第13课时┃ 功和功率 机械效率
1. 有用功、额外功和总功
例1 [2016·连云港]下列有关功的说法正确的是( )A.足球在水平地面上滚动时重力对足球没有做功B.吊车吊着重物使其沿水平方向匀速移动的过程中,吊车对重物做了功C.运动员举着杠铃在空中停留的时间内对杠铃要做很大的功D.用相同的力将质量不同的两个物体沿力的方向移动相同的距离所做的功不同
探究1 判断是否做功
[解析]足球在水平地面上滚动时,在重力的方向上没有通过距离,因而重力不做功,故选项A正确;吊车吊着重物使其沿水平方向匀速移动的过程中,吊车拉力的方向与重物移动的方向垂直,因而吊车对重物不做功,故选项B错误;运动员举着杠铃在空中停留的时间内,杠铃没有移动距离,因而运动员对杠铃不做功,故选项C错误;用相同的力将质量不同的两个物体沿力的方向移动相同的距离,根据功的计算公式W=Fs可知,两次所做的功相同,故选项D错误.
变式 [2017•常州]非洲旱季,常用Hipp rller(中间有转轴的塑料桶)运水.如图13-1所示,小华分别用背背、手抱、平拉、滚拉的方式运满桶水,在粗糙的程度相同的水平地面上匀速行走相同路程,她对满桶水做功最多的是( )
[解析] 题中A、B两选项图中,由于力与距离垂直,因而力对桶不做功;C选项图中滑动摩擦力大于D选项图中的滚动摩擦力,所以C选项图中拉力大于D选项图中拉力,因此C方式做功最多.
例2 [2017•连云港]如图13-2所示,一物体在水平向右的拉力F1的作用下以1 m/s的速度在水平地面上匀速运动了10 m,拉力F1所做的功为W1、功率为P1.若该物体在水平向右的拉力F2作用下以2 m/s的速度在同一水平地面上匀速运动了10 m,拉力F2所做的功为W2、功率为P2,则W1________W2,P1________P2.(均选填“>”“<”或“=”)
探究2 功和功率的比较和计算
变式1 [2016•南京]用水平拉力先后两次拉着重为20 N的同一物体,沿同一水平面做直线运动.第一次拉力为10 N,物体恰好做匀速直线运动,拉力对物体做了20 J的功;第二次将拉力增大为20 N,拉力对物体做了48 J的功.分析两次做功过程,以下判断正确的是( )A.第一次物体受到的摩擦力是10 N,物体运动了1 mB.第一次物体受到的摩擦力是20 N,物体运动了2 mC.第二次物体受到的摩擦力是10 N,物体运动了2.4 mD.第二次物体受到的摩擦力是20 N,物体运动了4.8 m
变式2 [2016•宿迁]在高速铁路上,一列车以324 km/h的速度在平直轨道上匀速行驶50 km,若列车的牵引力为105 N,通过这段路程牵引力所做的功为________J,功率为________W.
变式3 [2017•宿迁]如图13-3所示,一位质量为48 kg的同学乘电梯上楼,每只脚与电梯接触的面积均为0.015 m2.电梯向上匀速运动时,2 s内上升的高度为4 m.g取10 N/kg.求:(1)电梯静止时,该同学对电梯的压强.(2)在2 s内,电梯对该同学做功的功率.
例3 [2017•无锡]如图13-4所示,用动滑轮匀速提起重3 N的物体,拉力F为2 N,物体在10 s内上升1 m.在此过程中,动滑轮的机械效率为________,拉力F的功率为________W.若要提高动滑轮提升物体的效率,可以采取的措施是__________________.
变式 [2016•淮安]如图13-5所示,工人用500 N的拉力F,将重为900 N的木箱匀速提升3 m,所用时间为20 s,求:(1)拉力F做的有用功.(2)拉力F做功的功率.(3)动滑轮的机械效率.
[说明] (1)提高机械效率的方法:增加物重、减轻动滑轮重、减小摩擦.(2)重物提升高度和速度不影响滑轮组的机械效率.
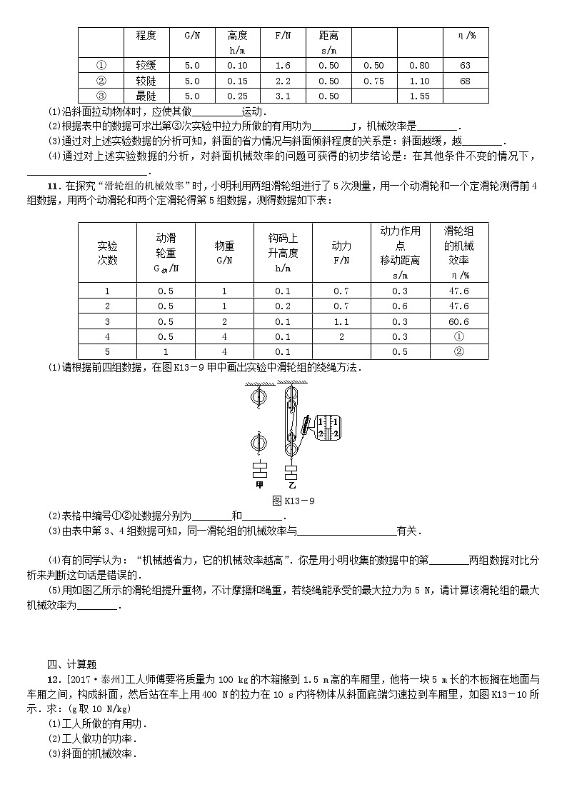
例 在“测量滑轮组的机械效率”的实验中,某组同学用同样的滑轮安装了如图17-9甲、乙所示的滑轮组,实验测得的数据如下表所示,回答下列问题:(1)本实验需要用的测量仪器是___________和_______。
[解析] (1)本实验所需的测量器材:弹簧测力计和刻度尺,由题表中数据可知有3段绳子承担物重,由此得出滑轮组的绕绳方法。
例 在“测量滑轮组的机械效率”的实验中,某组同学用同样的滑轮安装了如图17-9甲、乙所示的滑轮组,实验测得的数据如下表所示,回答下列问题:
(2)实验数据是用图中____所示的滑轮组测得的。实验中沿_____________拉动弹簧测力计,使物体缓缓上升。第3次实验中应补充的数据是______。(最后一空保留一位小数)(3)根据以上实验数据可以得出如下结论:同一滑轮组的机械效率主要与______有关。
【实验拓展】 (4)分析表中的数据可知:随着物重的增加,额外功________(选填“变大”“变小”或“不变”),原因是_________________。通过以上实验,请写出提高滑轮组机械效率的两种方法:_______________和_____________。
[解析](4)由表中数据可知,随着物重的增大,额外功变大,滑轮组做的额外功为克服动滑轮重力和滑轮与绳子间摩擦力所做的功,且动滑轮的重力不变,则物重越大,摩擦力越大,克服摩擦力做功越多。
中考物理复习第11讲第1课时功和功率教学课件: 这是一份中考物理复习第11讲第1课时功和功率教学课件,共28页。PPT课件主要包含了移动的距离,W=Gh,W=fs,没有做功等内容,欢迎下载使用。
中考物理复习第13讲机械效率机械能及其转化课件: 这是一份中考物理复习第13讲机械效率机械能及其转化课件,共34页。PPT课件主要包含了◇优化提升,◇搏击中考,◇夯实基础,◇考点导航,◇考点回顾,有用功,额外功,物体重力,动滑轮重力,摩擦阻力等内容,欢迎下载使用。
中考物理复习第11讲功和功率课件: 这是一份中考物理复习第11讲功和功率课件,共28页。PPT课件主要包含了◇优化提升,◇搏击中考,◇夯实基础,◇考点导航,◇考点回顾,这个力,作用在物体上的力,不省功,功与做功所用时间之比,做功快慢等内容,欢迎下载使用。

